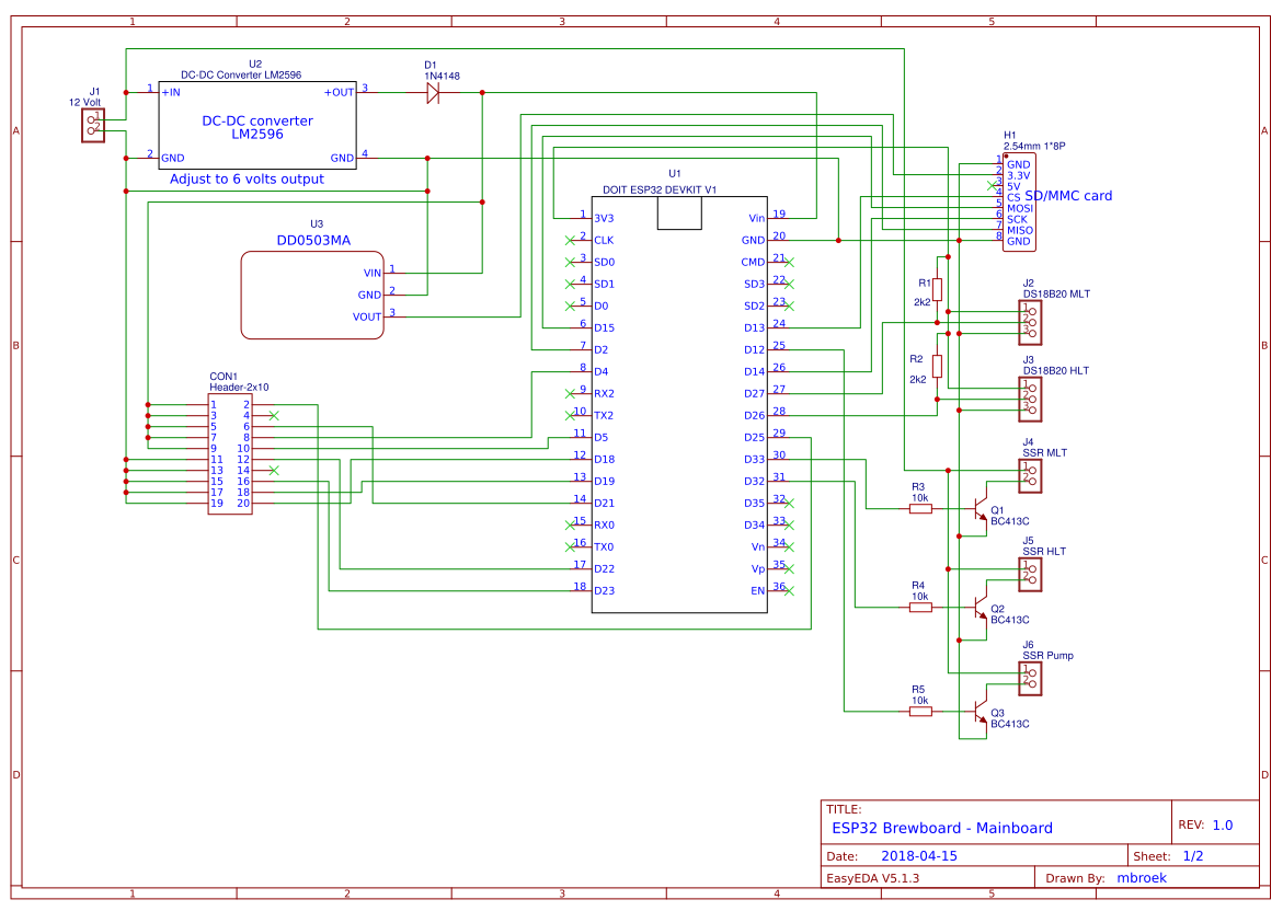
Esp32 Devkit V1 Circuit Diagram. Pin mapping more info about doit esp32 devkit v1 can be found here. It also has hardware acceleration for encryption which allows connection to lora a long distance network that allows for a connection of up to 15km using an antenna.
Please take proper safety precaution while working with high voltage. This diagram shows that the esp32 has dual core a chip area that controls wifi and another area that controls bluetooth. Doit esp32 devkit v1.
Contribute to playelek pinout doit 32devkitv1 development by creating an account on github.
Doit esp32 devkit v1. Pin mapping more info about doit esp32 devkit v1 can be found here. Now select the esp32 devkit v1 board and port in arduino ide. Now connect the home appliances with the relay module as per the circuit diagram.
